Рубрика: Электрооборудование

  • Скалярное и векторное управление асинхронными двигателями

    Для осуществления возможности регулирования момента и скорости в современных электроприводах используются следующие методы частотного управления, такие как:

    • Векторное;
    • Скалярное.

    Наибольшее распространение получили асинхронные электроприводы со скалярным управлением. Его используют в приводах компрессоров, вентиляторов, насосов и прочих механизмов в которых необходимо удерживать на определенном уровне или скорость вращения вала электродвигателя (применяется датчик скорости), либо какого-то технологического параметра (к примеру, давление в трубопроводе, с применением соответствующего датчика).

    Принцип действия скалярного управления асинхронным двигателем – амплитуда и частота питающего напряжения изменяются по закону U/f^n = const, где n>=1. То, как будет выглядеть данная зависимость в конкретном случае, зависит от требований предъявляемых нагрузкой электроприводу. Как правило, в качестве независимого воздействия выступает частота, а напряжение при определенной частоте определяется видом механической характеристики, а также значениями критического и пускового моментов. Благодаря скалярному управлению обеспечивается постоянная перегрузочная способность асинхронного двигателя, независящая от частоты напряжения, и все же при довольно низких частотах может произойти значительное снижение момента, развиваемого двигателем. Максимальное значение диапазона скалярного управления, при котором возможно осуществление регулирования значения скорости вращения ротора электродвигателя, без потери момента сопротивления не превышает 1:10.

    Скалярное управление асинхронным двигателем довольно просто реализуется, но все же имеются два значительных недостатка. Во-первых, если на валу не установлен датчик скорости, то невозможно осуществлять регулирование значения скорости вращения вала, поскольку она зависит от воздействующей на электропривод нагрузки. Установка датчика скорости с легкостью решает данную проблему, но еще одним значительным недостатком остается – отсутствие возможности регулирования значения момента на валу двигателя. Можно конечно установить датчик момента, но стоимость подобных датчиков, как правило, превышает стоимость самого электропривода. Причем, даже если установить датчик управления моментом, то процесс управления этим самым моментом окажется невероятно инерционным. Еще одно «но» — скалярное управление асинхронным двигателем характеризуется тем, что невозможно осуществление одновременного регулирования скорости и момента, поэтому приходится осуществлять регулирование той величины, которая в данный момент времени наиболее важна в силу условий технологического процесса.

    Дабы устранить недостатки, которыми обладает скалярное управление двигателем, еще в 71-м году прошлого века компанией SIEMENS было предложено внедрение метода векторного управления двигателем. В первых электроприводах с векторным управлением использовались двигатели, в которых были встроены датчики потока, что значительно ограничивало область применения подобных приводов.

    Система управления современных электроприводов содержит в себе математическую модель двигателя, позволяющую рассчитать скорость вращения и момент вала. Причем в качестве необходимых датчиков устанавливаются только датчики тока фаз статора двигателя. Специально разработанная структура системы управления обеспечивает независимость и практически безынерционность регулирования основных параметров – момент вала и скорость вращения вала.

    К сегодняшнему дню сформировались следующие системы векторного управления асинхронным двигателем:

    • Бездатчиковые – на валу двигателя отсутствует датчик скорости,
    • Системы, имеющие обратную связь по скорости.

    Применение методов векторного управления зависит от области применения электропривода. Если диапазон измерения значения скорости не превышает 1:100, а требования, предъявляемые к точности, колеблются в пределах ±1,5%, то используется бездатчиковая система управления. Если измерение скорости осуществляется в пределах достигающих значений 1: 10000 и больше, а уровень точности должен быть довольно высоким (±0,2% при частоте вращения ниже 1 Гц), или же необходимо позиционировать вал или осуществлять регулирование момента на валу при низких частотах вращения, то применяется система, имеющая обратную связь по скорости.

    Преимущества векторного метода управления асинхронным двигателем:

    • Высокий уровень точности при регулировании скорости вращения вала, несмотря даже на возможное отсутствие датчика скорости,
    • Осуществление вращения двигателя на малых частотах происходит без рывков, плавно,
    • Если установлен датчик скорости, то можно достичь номинального значения момента на валу даже при нулевом значении скорости,
    • Быстрое реагирование на возможное изменение нагрузки – резкие скачки нагрузки практически не отражаются на скорости электропривода,
    • Высокий уровень КПД двигателя, за счет сниженных потерь из-за намагничивания и нагрева.

    Несмотря на очевидные преимущества, метод векторного управления имеет и определенные недостатки – большая сложность вычислений, для работы необходимо знание параметров двигателя. Помимо всего прочего колебания значения скорости при постоянной нагрузке значительно больше, нежели при скалярном методе управления. Кстати, существуют такие сферы, где используются электроприводы исключительно со скалярным методом управления. К примеру, групповой электропривод, в котором один преобразователь подпитывает несколько двигателей.

  • Как правильно подобрать преобразователь (датчик) давления

    Одной из наиболее важных физических величин после температуры является давление. Именно эта физическая величина во многих технологических процессах является определяющей. Преобразователи давления используются для выполнения измерений и постоянного преобразования давления в унифицированный выходной сигнал напряжения, постоянного тока или в цифровой сигнал.

    Применяются датчики давления в различных регуляторах и других автоматических устройствах в системах автоматического регулирования, контроля и управления технологическими процессами в системах отопления, водообработки, кондиционирования и вентиляции; холодильной технике, гидравлических системах, счетчиках и расходомерах; тормозных системах; дизельных двигателях; уровнемерах, в разнообразных испытательных стендах и т.д.

    Индустриальные измерения и контрольно-измерительное оборудование используются в очень большом числе сфер промышленности — от фармакологической отрасли и до атомной сферы, а также и в пищевой промышленности. Отсюда следует вывод, что везде необходимы и преобразователи уровня, и преобразователи давления.

    Принцип работы датчиков давления основан на упругой деформации чувствительного элемента — сенсора. Именно на этот чувствительный элемент и нанесены полупроводниковые тензорезисторы, которые включены по схеме моста Уинстона. Давление, которое требуется измерить, подводят в рабочую полость датчика через штуцер. Это и вызывает деформирование диафрагмы. Таким образом, происходит изменение геометрии резисторов, которые находятся с диафрагмой в достаточно тесной механической связи, а, соответственно, и к изменению сопротивления резисторов. Таким образом, приложенное давления, то есть механический вход, преобразуется в изменение сопротивления, то есть электрический выход.

    В данной статье предлагается нижеописанный алгоритм, который поможет правильно выбрать датчик давления для определенного его использования:

    Тип давления, которое требуется измерить

    Преобразователи давления выполняют измерения разности двух видов давлений, которые воздействуют на измерительную мембрану, то есть чувствительный элемент, датчика давления. Одно из этих двух давлений — это давление, которое измеряется, а второе давление — опорное, иными словами то давление, относительно которого выполняется отсчет измеряемого давления. В соответствии с видом опорного давления все датчики давления можно подразделить на описанные ниже типы.

    Подавляющее большинство преобразователей давления имеют специальные модификации для выполнения измерения как избыточного, так и абсолютного давлений, в том числе давления разряжения.

    Преобразователи абсолютного давления

    Этот тип преобразователей предназначен для выполнения измерений величины абсолютного давления газообразных и жидких сред. В роли опорного давления выступает вакуум. Воздух, который находится во внутренней полости чувствительного элемента датчика, откачивается. К примеру, барометр является частным случаем датчика абсолютного давления.

    Преобразователи относительного или избыточного давления

    Этот тип преобразователей давления предназначены для выполнения измерений величины избыточного давления газообразных и жидких сред. Опорное давление, по сути, является тем же атмосферным давлением; таким образом, одна из сторон мембраны соединяется с атмосферной средой.

    Преобразователи перепада или разности давления или дифференциального давления

    Этот тип преобразователей предназначен для выполнения измерений разности давления среды и применяется для выполнения измерений расхода пара, газа, жидкостей и их уровня. Давление подается на одну и другую стороны мембраны, и именно от разности давления зависит сигнал, который получается на выходе.

    Преобразователи гидростатического давления или, как их еще называют, преобразователи уровня

    Этот тип преобразователей предназначен для выполнения преобразований гидростатического давления среды, которую контролируют, в сигналы постоянного тока. Проводят измерения давления столба жидкости, которое зависит только от высоты этого столба жидкости и от плотности самой данной жидкости. Дыхательная или, иными словами, капиллярная трубка компенсирует изменения атмосферного давления.

    Преобразователи вакууметрического давления или преобразователи разряжения

    Этот тип преобразователей предназначен для выполнения измерений величины вакуумметрического давления газообразных и жидких сред. Опорное давление в данных датчиках также является атмосферным. Но следует знать, что в отличие от датчиков избыточного давления, измеряемое давление здесь меньше атмосферного, то есть существует разряжение относительно атмосферы.

    Преобразователи избыточного давления-разряжения

    Этот тип преобразователей представляют собой сочетание датчиков вакуумметрического и избыточного давлений, то есть измеряют как разряжение, так и давление, к примеру, -1…6 бар.

    Среда, в которой будет использоваться датчик

    Для того, чтобы работа датчика была надежной, требуется выбирать такие материалы элементов, которые контактируют с средой измерения, например, кабеля, фланцев, мембран и уплотнительных колец, которые являются химически устойчивыми к этим средам. К примеру, для разнообразных сред эксплуатации материалом для мембран сенсоров может служить керамика, титановый сплав, чистый титан, нержавеющая сталь, хастеллой и другие разнообразные материалы. Материал кабеля наиболее важен для датчиков давления, которые классифицируются как погружные гидростатические. Например, для питьевой воды отличным вариантом будет выступать полиэтиленовый PE кабель, для неагрессивных же сред в промышленности отлично подойдет полиуретановый PUR кабель. Если же пользователь собирается применять датчик давления в агрессивной среде или в топливе, то наиболее правильным решением будет являться термопластичный эластомер или тефлон.

    Климатическое исполнение

    Преобразователи, кроме всего вышесказанного, также имеют отличия и по характеристике климатического исполнения. Требуется обращать особое внимание на климатические условия, а именно влажность, температура окружающей среды, прямое попадание солнечных лучей и воды непосредственно в месте, где установлен датчик. Все перечисленные нюансы климатических условий должны полностью соответствовать тем условиям, на которые рассчитан данный датчик. При этом необходимо обратить особое внимание на различие двух температур, которые непосредственного могут оказать влияние на работоспособность датчика: температуру среды, которая измеряется, и температуру окружающей среды. Итак, преобразователи давления могут функционировать в условиях измеряемой и окружающей среды от -55 ˚С и до 150 ˚С. Специализированные исполнения преобразователей давления способны сохранять свою работоспособность при температурах среды до +300 ˚С.

    Выходной сигнал

    Ниже будут рассмотрены главные типы:

    • Аналоговый сигнал на выходе. В виде выходного сигнала датчика давления выступает непрерывный сигнал линейного типа по напряжению или по току. Данный сигнал можно регистрировать наиболее простыми приборами, например, самым обычным бытовым тестером. Сигнал в диапазоне от 4 mA до 20 mA является наиболее распространенным выходным сигналом для датчиков давления во всем мире. Кроме этого в категорию популярных аналоговых сигналов входят сигналы, которые находятся в диапазоне от 0 В до 10 В, от 0,5 В до 4,5 В и некоторые другие.
    • Цифровой сигнал на выходе. В последнее время имеется огромное разнообразие различных цифровых сигналов. Но, наиболее широко применяемым можно назвать интерфейс RS485 протокол MODBUS. Он является открытым протоколом, с помощью которого становится возможным объединить в одну систему до 128 устройств с расстоянием между ними, которое максимально может достигать 1300 м.
    • Ратиометрический сигнал на выходе. Данный сигнал применяется на сегодняшний день пока еще достаточно редко, особенно в России, но с каждым годом популярность его использования становится все больше и больше. Главной особенностью ратиометрического сигнала, который формируется на выходе, является зависимость его значения от питающего напряжения. То есть можно говорить, что данный сигнал является безразмерным и, по сути, представляет собой процентное отношение сигнала питания. Как правило, про датчики давления с ратиометрическим сигналом на выходе говорят 0,5…4,5 В ратиометрический. Но следует обратить особое внимание, что на самом деле при этом «0,5…4,5 В» имеется в виду только при условии стабильного напряжения питания в 5 В. По этой причине с физической точки зрения правильнее будет говорить: от 0,5 В/5 В до 4,5 В/5 В. В ситуации же, когда значение питающего напряжения изменится, то пропорционально ему произойдут изменения и в выходном сигнале.

    Итак, подытожим, вид используемого сигнала на выходе в первую очередь зависит от оборудования, которое уже имеется в наличии, и от задачи, которая стоит перед пользователем. Для этого требуется в полной мере изучить входы, которыми оснащены имеющееся оборудование: машины, приборы, регуляторы или контроллеры.

    Точность измерений

    Преобразователи давления обладают различными метрологическими характеристиками, то есть классами точности. Обычно эти показатели лавируют от 0,05 % и до 0,5 %. Наиболее точные датчики давления применяются на самых важных объектах в разнообразных промышленных отраслях.

    Особое внимание необходимо посвятить вопросу стабильности работы датчиков давления. Следует помнить, что даже датчик с очень высоким показателем точности после нескольких часов беспрерывной работы при температурных циклах с широким диапазоном изменения температур начнет давать дополнительную погрешность, которая будет более 0,5% от верхнего предела диапазона измерения (ВПИ).

    Некоторые типы датчиков давления выполнены во взрывозащищенном исполнение. Эти модификации могут успешно применяться для определения давления на различных взрывоопасных объектах, на которых присутствуют легко воспламеняющиеся и взрывчатые жидкости и газы.

    Следует помнить, что преобразователи давления относят к измерительной технике. ПО этой причине они должны проходить в полной мере все обязательные сертификационные испытания. После выполнения этой процедуры они утверждаются и вносятся в Госреестр средств измерений.

  • Устройство и принцип действия электромагнитных реле. Их преимущества и недостатки

    Устройство и принцип действия электромагнитных реле. Их преимущества и недостатки

    Реле — называется электрическое устройство, которое предназначается для осуществления коммутации различных участков электрических схем  при изменении электрических или неэлектрических входных воздействий. Впервые, термин «реле» фигурирует в тексте патента на изобретение телеграфа за авторством С. Морзе в 1837 году. А само устройство электромагнитного реле было изобретено Джозефом Генри за два года до этого в 1835 году. Интересно также, что термин «реле» произошел от английского слова «relay», которое в те времена означало действие при передаче эстафеты спортсменами или же подмену почтовых лошадей на станциях, когда они начинают уставать.

    Наиболее широкое применение в схемах автоматики и системах защиты электроустановок получили электромагнитные реле, благодаря своей высокой надежности и простоте принципа действия. Электромагнитные реле подразделяются на реле переменного и постоянного тока. Последние, в свою очередь, подразделяются на поляризованные (реагируют на полярность управляющего сигнала) и нейтральные (в одинаковой степени реагируют на протекающий по его обмотке постоянный ток любой полярности).

    Принцип работы электромагнитных реле основан на применении электромагнитных сил, которые возникают в металлическом сердечнике во время прохождения электрического тока по виткам его катушки. Все детали будущего реле необходимо смонтировать на основание и закрыть крышкой, после чего над сердечником электромагнита устанавливается пластина (подвижный якорь), к которой крепятся от одного до нескольких контактов. Напротив закрепленных контактов устанавливают парные им неподвижные контакты.

    Работа электромагнитного реле

    Поддерживать якорь в исходном положении помогает закрепленная пружина. Во время подачи напряжения на электромагнит якорь начинает притягиваться, преодолевая сопротивление пружины, при этом, в зависимости от конструкции имеющегося реле, происходит размыкание или замыкание контактов. Если отключить напряжение – благодаря пружине якорь вернется в исходное положение. Иные модели реле могут содержать в себе электронные элементы. Примерами таких реле могут послужить резистор, который подключается к обмотке катушки, чтобы реле более четко срабатывало, и конденсатор, расположенный параллельно контактам, дабы снизить вероятность появления искр и помех.

    У электромагнитного реле имеется ряд преимуществ, недоступных полупроводниковым конкурентам:

    • Возможность коммутации нагрузок общей мощностью не более 4 кВт в то время когда объем реле не превышает 10см3;
    • Проявление устойчивости к импульсам перенапряжения и способным оказать разрушительное воздействие помехам, возникающим во время разряда молнии или по причине протекания коммутационных процессов в высоковольтном оборудовании;
    • Наличие исключительной электрической изоляции, проложенной между катушкой (управляющей цепью) и группой контактов (требования последнего стандарта – 5 кВ) – недоступная мечта для большей части полупроводниковых ключей;
    • Малый уровень выделения тепла замкнутых контактов вследствие малого падения напряжения: во время коммутации тока 10 А малогабаритным реле суммарно рассеивается по катушке и контактам не более 0,5 Вт, при учете что симисторным реле отдается в атмосферу не менее 15 Вт, в результате чего приходится решать вопрос по интенсивному охлаждению, а попутно усугубляется проблема парникового эффекта на нашей планете;
    • В сравнении с полупроводниковыми ключами электромагнитные реле имеют более низкую стоимость.
    • Кроме достоинств электромагнитные электромеханические реле имеют и свои недостатки: не высокая скорость работы, ограниченность электрического и механического ресурса, возникновение радиопомех во время замыкания и размыкания контактов, и последнее, но наиболее неприятное свойство – возникновение серьезных проблем во время коммутации высоковольтных и индуктивных нагрузок на постоянном токе.

    Как правило, электромагнитные реле применяются при коммутации нагрузок при переменном токе с напряжением 220В или при постоянном токе в диапазоне напряжений 5 – 24В и токами коммутации 10 – 16 А. Стандартными нагрузками для мощных реле являются – лампы накаливания, нагреватели, обогреватели, электромагниты, маломощные электродвигатели (к примеру, сервоприводы и вентиляторы), иные активные, индуктивные и емкостные потребители электрической энергии с диапазоном мощностей 1 Вт – 3 кВт.

    Рабочее напряжение и сила тока в катушке реле не должны превышать предельно допустимых значений, поскольку уменьшение этих значений значительно снизит надежность контактирования, а их увеличение приведет к перегреву катушки, тем самым снизив надежность реле при предельно допустимых значения положительной температуры. Крайне нежелательно даже кратковременное воздействие повышенного напряжения, поскольку при этом возникают в деталях магнитопровода и в контактных группах механические перенапряжения, а электрическое перенапряжение обмотки катушки может привести к пробою изоляции во время размыкания цепи.

    Во время выбора режима работы реле стоит учитывать характер воздействующих нагрузок, род и значение коммутируемого тока, частоту коммутации.

    Во время коммутации индуктивных и активных нагрузок самым тяжелым является процесс размыкания цепи, поскольку образовывающийся дуговой разряд становится причиной основного износа контактов.

  • Типы кабелей и проводов: силовой, коаксиальный, оптоволоконный кабель и витая пара

    Силовые кабели

    Среди наиболее популярных в последнее время видов кабельной продукции можно назвать кабель ВВГ и его модификации. ВВГ обозначается силовой кабель с изоляцией ТПЖ из ПВХ, оболочкой (кембриком)  из ПВХ, медным материалом жилы, не имеющий внешней защиты.

    Используется для передачи и распределения электрического тока, рабочее напряжение 660 – 1000 В, частота 50 Гц. Количество жил может варьироваться от 1 до 5. Сечение – от 1,5 кв.мм до 240 кв.мм. Жилы могут быть как одно-, так и многопроволочными.

    ВВГ применяется в широком диапазоне температур: от – 50 до + 50 ºС. Выдерживает влажность до 98% при температуре до + 40 ºС. Кабель достаточно прочен на разрыв и изгиб, стоек к агрессивным химическим веществам. При монтаже следует помнить, что каждый кабель или провод имеет определенный радиус изгиба. Это означает, что для поворота на 90º в случае с ВВГ радиус изгиба должен быть не меньше 10 диаметров сечения кабеля. Внешняя оболочка, как правило, черного цвета. Не распространяет горение.

    Разновидности ВВГ:

    • АВВГ – те же характеристики, только вместо медной жилы используется алюминиевая;
    • ВВГнг – кембрик с повышенной негорючестью;
    • ВВГп – наиболее часто встречающаяся разновидность. Сечение кабеля не круглое, а плоское;
    • ВВГз – пространство между изоляцией ТПЖ и кембриком заполнены жгутами из ПВХ или резиновой смесью.

    КГ расшифровывается очень просто – кабель гибкий. Это проводник с рабочим переменным напряжением до 660 В, частотой до 400 Гц или постоянного напряжения 1000 В. 

    Жилы медные, гибкие или повышенной гибкости. Их количество варьируется от 1 до 6. Изоляция ТПЖ – резина, внешняя оболочка из того же материала. Диапазон рабочих температур от – 60 до + 50 ºС. Кабель применяется в основном для подсоединения различных переносных устройств. Есть разновидность КГнг с негорючей изоляцией. КГ прекрасно зарекомендовал себя именно в качестве кабеля, работающего практически при любых условиях на открытом воздухе.

    Кабели для передачи информации

    Помимо электроэнергии кабели предают информационные сигналы.

    Коаксиальный кабель

    Коаксиальный кабель представляет собой электрический кабель, состоящий из центрального провода и металлической оплетки, разделенных между собой слоем диэлектрика (внутренней изоляции) и помещенных в общую внешнюю оболочку.

    К нему труднее механически подключиться для несанкционированного прослушивания сети, он также дает заметно меньше электромагнитных излучений вовне. Однако монтаж и ремонт коаксиального кабеля существенно сложнее, чем витой пары, а стоимость его выше (он дороже примерно в 1,5-3 раза по сравнению с кабелем на основе витых пар). Сложнее и установка разъемов на концах кабеля. Поэтому его сейчас применяют реже, чем витую пару.

    Экран выполняет 2 функции: 1) защита от электромагнитных помех. 2)передача информационных сигналов.

    Преимущества: низкая чувствительность к электромагнитным помехам, высокая частота передачи (порядка 50 МГц) на длинных линиях порядка километров. Недостаток: высокий вес кабеля, сложность прокладки. Обычно служит для передачи высокочастотных сигналов. Благодаря совпадению осей обоих проводников у идеального коаксиального кабеля обе компоненты электромагнитного поля полностью сосредоточены в пространстве между проводниками (в диэлектрической изоляции) и не выходят за пределы кабеля, что исключает потери электромагнитной энергии на излучение и защищает кабель от внешних электромагнитных наводок. В реальных кабелях ограниченные выход излучения наружу и чувствительность к наводкам обусловлены отклонениями геометрии от идеальности.

    Существует два типа коаксиальных кабелей: тонкий и толстый.

    Тонкий КК – это кабель диаметром 0,5 см. Прост в применении и годится практически для любых видов сетей. Подключается непосредственно к платам сетевого адаптера компьютера. Тонкий КК способен передавать сигнал на расстояния до 185 м без искажений.

    Толстый КК – это кабель диаметров 1 см. Чем толще кабель, тем большее расстояние способен преодолеть сигнал. Толстый КК передает сигнал до 500 м. Для подключения к толстому КК применяют специальное устройство – трансивер.

    При заземлении экрана в нескольких точках по нему начинают протекать выравнивающие токи (ведь разные «земли» обычно имеют неравные потенциалы). Такие токи могут стать причиной внешних наводок (иной раз достаточных для выхода из строя интерфейсного оборудования), именно это обстоятельство является причиной требования заземления кабеля локальной сети только в одной точке. 

    Наибольшее распространение получили кабели с волновым сопротивлением 50 ом. Это связано с тем, что эти кабели из-за относительно толстой центральной жилы характеризуются минимальным ослаблением сигнала (волновое сопротивление пропорционально логарифму отношения диаметров внешнего и внутреннего проводников).

    RG-6 – коаксиальный кабель для передачи высокочастотных сигналов.

    Кабели марки RG имеют множество разновидностей и отличаются друг от друга по некоторым характеристикам, например сопротивлению проводника, устойчивости к температурным и ударным нагрузкам, времени затухания сигнала, разновидности экрана и т.д.

    Коаксиальный кабель РК-50 очень часто применяется в ультразвуковой расходометрии. Первичные преобразователи (излучатели и приемники ультразвуковых волн) соединяются с блоком электроники ультразвукового расходомера посредством отрезков коаксиального кабеля фиксированной длины.

    Коаксиальный кабель является частью схемы, параметры которой определяют параметры формируемого ультразвукового импульса. Поэтому самовольное изменение длины отрезков коаксиальных кабелей входящих в комплект поставки ультразвуковых расходомеров (US-800, UFM-001 и т.п.) либо запрещено производителем вовсе, либо требует ввода «новой» длины кабелей в настройки расходомера. В противном случае погрешность измерения может оказаться выше заявленной производителем, а в некоторых случаях это может и вовсе привести к отказам в работе. К такому же эффекту может привести применение коаксиального кабеля с другим волновым сопротивлением. Например, РК-75 с волновым сопротивлением 75 Ом против 50 Ом у РК-50.

    Витая пара

    Служит для построения компьютерных сетей. Витая пара может быть экранированной и неэкранированной.

    Состоит из одной или нескольких пар проводов, перевитых попарно, что делается в целях улучшения приема и передачи сигнала. Проводники в парах изготовлены из монолитной медной проволоки толщиной 0,4—0,6 мм. Скручивание проводов снижает влияние внешних и взаимных помех на полез­ные сигналы, передаваемые по кабелю (электромагнитные помехи одинаково влияют на оба провода пары).

    Также внутри кабеля встречается так называемая «разрывная нить» (обычно капрон), которая используется для облегчения разделки внешней оболочки — при вытягивании она делает на оболочке продольный разрез, который открывает доступ к кабельному сердечнику, гарантированно не повреждая изоляцию проводников. Также разрывная нить, ввиду своей высокой прочности на разрыв, выполняет защитную функцию.

    Каждый проводник заключен в изоляцию из ПВХ или пропилена. Внешняя оболочка также из ПВХ. Кабель может быть дополнительно оснащен влагонепронициаемой оболочкой из полипропилена.

     В зависимости от вида кабеля возможны различные варианты защиты:

    • UTP или незащищенная, без общего экрана для пар проводов;
    • FTP, или фольгированная, с экраном из алюминиевой фольги;
    • STP, или защищенная, с общим экраном из медной сетки, к тому же каждая витая пара окружена отдельным экраном;
    • S/FTP, или фольгированная, экранированная с общим экраном из фольги, к тому же каждая пара дополнительно включена в экран.

    Кроме того, витые пары разделяются на категории по количеству пар, объединенных в один кабель. Самый распространенный вид, применяемый для компьютерных сетей – это категория CAT5. Он состоит из 4 пар проводов различного цвета. Скорость передачи данных – до 1 Гб/с при использовании всех пар.

    Нужно отличать электрическую изоляцию проводящих жил, которая имеется в любом кабеле, от электромагнитной изоляции. Первая состоит из непрово­дящего диэлектрического слоя — бумаги или полимера, например поливинилхлорида или полистирола. Во втором случае помимо электрической изоляции проводящие жилы помешаются также внутрь электромагнитного экрана, в каче­стве которого чаще всего применяется проводящая медная оплетка.

    Свивание проводников производится с целью повышения степени связи между собой проводников одной пары (электромагнитные помехи одинаково влияют на оба провода пары) и последующего уменьшения электромагнитных помех от внешних источников, а также взаимных наводок при передаче дифференциальных сигналов.

    Экранированная витая пара хорошо защищает передаваемые сигналы от внеш­них помех, а также меньше излучает электромагнитные колебания вовне, что, в свою очередь, защищает пользователей сетей от вредного для здоровья излу­чения. Наличие заземляемого экрана удорожает кабель и усложняет его про­кладку.

    Для построения сетей применяются следующие разновидности кабеля:UTP (unshielded twisted pair) — незащищенная витая пара — витые пары которого не имеют экранирования;

    FTP (Foiled Twisted Pair) — фольгированная витая пара — имеет общий экран из фольги, однако у каждой пары нет индивидуальной защиты;

    STP (shielded twisted pair) — защищенная витая пара — каждая пара имеет собственный экран;

    Преимущества: простота монтажа, низкая цена. Недостаток: высокая чувствительность к электромагнитным помехам. Для защиты от электромагнитных помех применяют экран. В зависимости от количества витков на 1м провода, от типа изоляции и типа экрана витые пары разделяются на категории и на частоту использования: 3 категория – 16МГц, 4 категория – 20 МГц, 5 категория – 100 МГц. Типичная длина сегмента – сотни метров.

    Категории кабеля витая пара

    Существует несколько категорий кабеля витая пара, которые определяют эффективный пропускаемый частотный диапазон. Кабель более высокой категории обычно содержит больше пар проводов и каждая пара имеет больше витков на единицу длины.

    • Кабель категории 1 — это обычный телефонный кабель (пары проводов не витые), по которому можно передавать только речь, но не данные. Данный тип кабеля имеет большой разброс параметров (волнового сопротивления, полосы пропускания, перекрестных наводок). 
    • Кабель категории 2 — это кабель из витых пар для передачи данных в полосе частот до 1 МГц. Кабель не тестируется на уровень перекрестных наводок. В настоящее время он используется очень редко. Стандарт Е1А/Т1А 568 не различает кабели категорий 1 и 2. 
    • Кабель категории 3 — это кабель для передачи данных в полосе часто до 16 МГц, состоящий из витых пар с девятью витками проводов на метр длины. Кабель тестируется на все параметры и имеет волновое сопротивление 100 Ом. Это самый простой тип кабелей, рекомендованный стандартом для локальных сетей.
    • Кабель категории 4 — это кабель, передающий данные в полосе частот до 20 МГц. Используется редко, так как не слишком заметно отличается от категории 3. Стандартом рекомендуется вместо кабеля категории 3 переходить сразу на кабель категории 5. Кабель категории 4 тестируется на все параметры и имеет волновое сопротивление 100 Ом.
    • Кабель категории 5 — самый совершенный кабель в настоящее время, рассчитанный на передачу данных в полосе частот до 100 МГц. Состоит из витых пар, имеющих не менее 27 витков на метр длины (8 витков на фут). Кабель тестируется на все параметры и имеет волновое сопротивление 100 Ом. Рекомендуется применять его в современных высокоскоростных сетях. Кабель категории 5 примерно на 30-50% дороже, чем кабель категории 3. 
    • Кабель категории 6 — перспективный тип кабеля для передачи данных в полосе частот до 200 МГц. 
    • Кабель категории 7 — перспективный тип кабеля для передачи данных в полосе частот до 600 МГц.

    Оптоволокно

    Оптоволоконный кабель (он же волоконно-оптический) — это принципиально иной тип кабеля по сравнению с другими типами электрических или медных кабелей. Информация по нему передается не электрическим сигналом, а световым. Главный его элемент — это прозрачное стекловолокно, по которому свет проходит на огромные расстояния (до десятков километров) с незначительным ослаблением.

    Волоконно-оптический кабель состоит из тонких (5-60 микрон) гибких стек­лянных волокон (волоконных световодов), по которым распространяются свето­вые сигналы. Это наиболее качественный тип кабеля — он обеспечивает переда­чу данных с очень высокой скоростью (до 10 Гбит/с и выше) и к тому же лучше других типов передающей среды обеспечивает защиту данных от внешних помех (в силу особенностей распространения света такие сигналы легко экранировать).

    Каждый световод состоит из центрального проводника света (сердцевины) — стеклянного волокна, и стеклянной оболочки, обладающей меньшим показате­лем преломления, чем сердцевина. Распространяясь по сердцевине, лучи света не выхолят за ее пределы, отражаясь от покрывающего слоя оболочки.

    Структура оптоволоконного кабеля очень проста и похожа на структуру коаксиального электрического кабеля, только вместо центрального медного провода здесь используется тонкое (диаметром порядка 1-10 мкм) стекловолокно, а вместо внутренней изоляции — стеклянная или пластиковая оболочка, не позволяющая свету выходить за пределы стекловолокна. В данном случае мы имеем дело с режимом так называемого полного внутреннего отражения света от границы двух веществ с разными коэффициентами преломления (у стеклянной оболочки коэффициент преломления значительно ниже, чем у центрального волокна). Металлическая оплетка кабеля обычно отсутствует, так как экранирование от внешних электромагнитных помех здесь не требуется, однако иногда ее все-таки применяют для механической защиты от окружающей среды (такой кабель иногда называют броневым, он может объединять под одной оболочкой несколько оптоволоконных кабелей).

    Никакие внешние электромагнитные помехи в принципе не способны исказить световой сигнал, а сам этот сигнал принципиально не порождает внешних электромагнитных излучений. Однако в данном случае необходимо применение специальных оптических приемников и передатчиков, преобразующих световые сигналы в электрические и обратно, что порой существенно увеличивает стоимость сети в целом.

    Типичная величина затухания сигнала в оптоволоконных кабелях на частотах, используемых в локальных сетях, составляет около 5 дБ/км, что примерно соответствует показателям электрических кабелей на низких частотах.

    Однако оптоволоконный кабель имеет и некоторые недостатки. Самый главный из них — высокая сложность монтажа (при установке разъемов необходима микронная точность, от точности скола стекловолокна и степени его полировки сильно зависит затухание в разъеме). Для установки разъемов применяют сварку или склеивание с помощью специального геля, имеющего такой же коэффициент преломления света, что и стекловолокно. В любом случае для этого нужна высокая квалификация персонала и специальные инструменты. Поэтому чаще всего оптоволоконный кабель продается в виде заранее нарезанных кусков разной длины, на обоих концах которых уже установлены разъемы нужного типа. Никаких проблем согласования и заземления в данном случае не существует. Кабель обеспечивает идеальную гальваническую развязку компьютеров сети.

  • Звезда или треугольник. Оптимальное подключение асинхронного электродвигателя

    Звезда или треугольник. Оптимальное подключение асинхронного электродвигателя

    Двигатели асинхронного типа имеют целый набор безусловных достоинств. Среди плюсов асинхронных двигателей в первую очередь хочется назвать высокую производительность и надежность их эксплуатации, совсем небольшую стоимость и неприхотливость ремонта и обслуживания двигателя, а также способность переносить достаточно высокие перегрузки механического типа. Все эти достоинства, которыми обладают асинхронные двигатели, обусловлена тем, что данный тип двигателей имеет очень простую конструкцию. Но, не смотря на большое число достоинств, асинхронным двигателям присущи и их определенные отрицательные моменты.

    В практической работе принято использовать два основных способа подключения трёхфазных электродвигателей к электросети. Эти способы подключения носят названия: звезда и треугольник.

    Когда выполняется соединение трёхфазного электродвигателя по типу подключения «звезда», тогда соединение концов обмоток статора электродвигателя происходит в одной точке. При этом трехфазное напряжение подают на начала обмоток. Ниже, на рисунке 1, наглядно проиллюстрирована схема подключения асинхронного двигателя «звездой».

    Когда выполняется соединение трёхфазного электродвигателя по типу подключения «треугольник», тогда обмотки статора электродвигателя присоединяются последовательно друг за другом. При этом начало последующей обмотки соединяется с концом предыдущей обмотки и так далее. Ниже, на рисунке 2, наглядно проиллюстрирована схема подключения асинхронного двигателя «треугольником».

    Схема соединения звездой и треугольником
    Соединение звездой и треугольником

    Если не вдаваться в теоретические и технические основы электротехники, то можно принять на веру тот факт, что работа тех электродвигателей, у которых обмотки подключены по схеме «звезда», является более мягкой и плавной, чем у электродвигателей, обмотки которых соединены по схеме «треугольник». Но тут же стоит обратить внимание на ту особенность, что электродвигатели, обмотки которых подключены по схеме «звезда», не способны развить полную мощность, заявленную в паспортных характеристиках. В том случае, если соединение обмоток выполнено по схеме «треугольник», то электродвигатель работает на максимальную мощность, которая заявлена в техническом паспорте, но при этом имеют место быть очень высокие значения пусковых токов. Если произвести сравнение по мощности, то электродвигатели, чьи обмотки будут соединены по схеме «треугольник», способны выдавать мощность в полтора раза выше, чем те электродвигатели, обмотки которых подключены по схеме «звезда».

    Основываясь на всем вышеописанном, для того, чтобы снизить токи при запуске, целесообразно применять подключение обмоток по комбинированной схеме «треугольник-звезда». Особенно такой тип подключения актуален для электродвигателей, обладающих большей мощностью. Таким образом, в связи с соединением по схеме «треугольник- звезда» изначально запуск выполняется по схеме «звезда», а после того, как электродвигатель «набрал обороты», выполняется переключение в автоматическом режиме по схеме «треугольник».

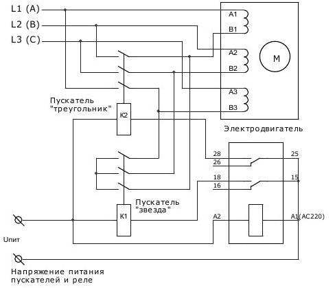
    Схема управления электродвигателем представлена на рисунке 3.

    Схема управления двигателем

    Рис. 3 Схема управления 

    Еще один вариант схемы управления электродвигателем заключается в следующем (рис. 4).

    Силовая схема звезда–треугольник

    Рис. 4 Схема управления двигателем

    На контакт NC (нормально закрытый) реле времени K1, а также на контакт NC реле K2, в цепи катушки пускателя КЗ, подаётся напряжение питания.

    После того, как произойдет включение пускателя КЗ, нормально закрытыми контактами КЗ расцепляются цепи катушки пускателя K2 (запрет случайного включения). Контакт КЗ в цепи питания катушки пускателя K1 замыкается.

    Когда запускается магнитный пускатель K1, в цепи питания его катушки замыкаются контакты K1. Реле времени включается в то же самое время, контакт этого реле K1 в цепи катушки пускателя КЗ размыкается. А в цепи катушки пускателя K2 – замыкается.

    При отключении обмотки пускателя КЗ, замкнётся контакт КЗ в цепи катушки пускателя K2. После того, как пускатель K2 включится, он размыкает своими контактами K2 цепь питания катушки пускателя КЗ.

    Трёхфазное напряжение питания подаётся на начало каждой из обмоток W1, U1 и V1 с помощью силовых контактов пускателя K1. Когда срабатывает магнитный пускатель КЗ, тогда при помощи его контактов КЗ выполняется замыкание, посредством которого между собой соединяются концы каждой из обмоток электродвигателя W2, V2 и U2. Таким образом, выполняется подключение обмоток электродвигателя по схеме соединения «звезда».

    Реле времени, объединенное с магнитным пускателем K1, сработает спустя определенное время,. При этом происходит отключение магнитного пускателя КЗ и одновременное включение магнитного пускателя K2. Таким образом силовые контакты пускателя K2 замкнутся и напряжение питания будет подано на концы каждой из обмоток U2, W2 и V2 электродвигателя. Иными словами, электродвигатель включается по схеме подключения «треугольник».

    Для того, чтобы электродвигатель запустить по схеме соединения «треугольник-звезда», различные изготовители производят специальные пусковые реле. Данные реле могут носить разнообразные названия, например, реле «старт-дельта» или «пусковое реле времени», а также и некоторые другие. Но назначение всех этих реле заключается в одном и том же.

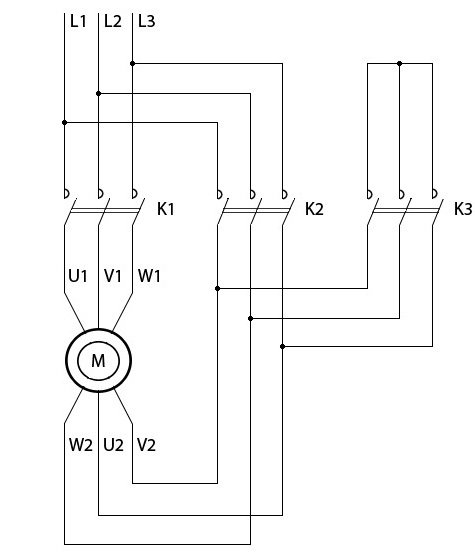
    Типовая схема, выполненная с реле времени, предназначенном для запуска, то есть реле «треугольник-звезда», для осуществления управления запуска трехфазного электродвигателя асинхронного типа представлена на рисунке 5.

    Типовая схема с пусковым реле времени

    Рис.5 Типовая схема с пусковым реле времени (реле «звезда/треугольник») для управления запуском трехфазного асинхронного двигателя.

    Итак, подытожим все вышеописанное. Для того, чтобы понизить пусковые токи осуществлять запуск электродвигателя требуется в определенной последовательности, а именно:

    1. сперва электродвигатель запускают на пониженных оборотах соединённым по схеме «звезда»;
    2. затем электродвигатель соединяют по схеме «треугольник».

    Первоначальный запуск по схеме «треугольник» создаст максимальный момент, а последующее соединение по схеме «звезда» (для которой в 2 раза меньше пусковой момент) с продолжением работы в номинальном режиме, когда двигатель «набрал обороты», произойдёт переключение на схему соединения «треугольник» в автоматическом режиме. Но не стоит забывать о том, какая нагрузка создается перед запуском на валу, так как вращающий момент при соединении по схеме «звезда» ослаблен. По этой причине маловероятно, что данный метод запуска будет приемлем для электродвигателей с высокой нагрузкой, так как они в таком случае могут потерять свою работоспособность.